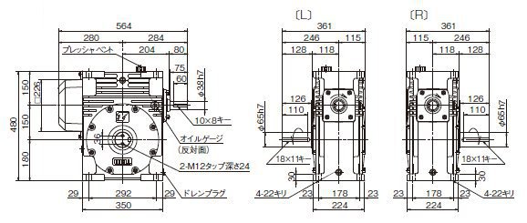
トロイドライブ 主要諸元
形番:TD150S10TL
| ※ | 3DCADデータはキャデナス・ウェブ・ツー・キャド(株)のCAD図面ライブラリーサイト「PARTcommunity」へのリンクにより提供いたします。 |
| ※ | 3DCADデータ及びPARTcommunityのお問い合わせにつきましてはキャデナス・ウェブ・ツー・キャドまでご連絡ください。 【キャデナス・ウェブ・ツー・キャド株式会社】TEL: (03)5961‐5031 FAX: (03)5961‐5032 |
カタログ・取扱説明書
伝動能力表
| 称呼 減速比 |
実減速比 | 入力1750 r/min | 入力1450 r/min | 入力1150 r/min | 入力950 r/min | 入力500 r/min | 入力100 r/min | 概略質量 kg |
||||||||||||
|---|---|---|---|---|---|---|---|---|---|---|---|---|---|---|---|---|---|---|---|---|
| 入力 kW |
出力トルク | 入力 kW |
出力トルク | 入力 kW |
出力トルク | 入力 kW |
出力トルク | 入力 kW |
出力トルク | 入力 kW |
出力トルク | |||||||||
| N・m | kgf・m | N・m | kgf・m | N・m | kgf・m | N・m | kgf・m | N・m | kgf・m | N・m | kgf・m | |||||||||
| 10 | 10.25 | 32.3 | 1717 | 175 | 31.0 | 1989 | 203 | 29.4 | 2377 | 243 | 28.1 | 2745 | 280 | 22.6 | 4157 | 424 | 5.4 | 4861 | 496 | 137 |
・950r/min以上の値は熱定格により制限されています。短時間運転の場合は別途お問合せください。
出力軸許容荷重
| 出力軸許容ラジアル荷重 | 出力軸許容アキシャル荷重 | ||||||
|---|---|---|---|---|---|---|---|
| 出力軸回転速度 59r/min以下 | 出力軸回転速度 60r/min~175r/min | 出力軸回転速度 59r/min以下 | 出力軸回転速度 60r/min~175r/min | ||||
| N | kgf | N | kgf | N | kgf | N | kgf |
| 21600 | 2204 | 21600 | 2204 | 16607 | 1695 | 11477 | 1171 |
標準仕様
| 減 速 部 |
潤滑方式 | オイルバス方式・封入出荷 |
|---|---|---|
| ダフニーアルファオイルTE260 | ||
| キー仕様 | 新JIS並級 JIS B1301-1976(中実軸部キーは付属出荷) | |
| 塗装仕様 | マンセル5PB2/6(ブルー) | |
| 下塗:ラッカープライマー 上塗:ラッカー系塗料 | ||
| 防錆仕様 | 防錆期間 屋内保管6ヶ月(工場出荷後) | |
| 外部防錆処理:さび止めグリース塗布 内部防錆処理:潤滑油封入後密閉 | ||
| 周 囲 条 件 |
設置場所 | 屋内 |
| 周囲温度 | -10℃~50℃ | |
| 周囲湿度 | 95%以下(結露のないこと) | |
| 高 度 | 標高1000m以下 | |
| 雰 囲 気 | 腐食性および爆発性ガス、蒸気および結露がなく塵埃の少ないこと | |
| 据付方式 | 水平・垂直取付 | |
ホームページからのお問い合わせ/資料請求
製品お問い合わせ
各製品へのお問い合わせ及び製品カタログ・資料請求はこちらより承っております。
ご利用の際は当サイトの会員登録をお願いします。
【お問い合わせ】 |
【資料請求】 |
|---|
各種証明書の発行について
一部の証明書は弊社製造番号と紐づけて発行しております。
以下についてはご購入先を通じてご依頼ください。
・該非判定書
・EAR判定書
・原産地証明書
見積依頼、納期確認について
弊社では直接販売をしておりません。
購入価格・納期に関するお問い合わせはお取引のある商社様を通じてご確認ください。
購入先をお探しのお客様は取扱販売店一覧をご覧ください。
お問い合わせ窓口
製品窓口
| 減速機 | TEL : 0120-251-602 | FAX : 0120-251-603 |
|---|
月曜日~金曜日 9:00~12:00 / 13:00~17:00
(祝日・弊社休業日を除く)



