Worm Power Drives Major Specifications
Model No. :SWM200V1200L-RF150S

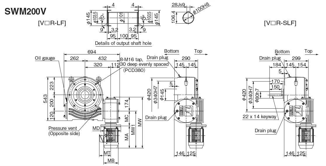
[Click to enlarge ]
※Refer to Page 78 of the catalog for shaft arrangements and relative direction of rotation.
PDF Outline Drawing
DXF drawings / 3D CAD data
Contact us for details.
Standard Price
Contact us for details.
Delivery
Contact us for details.
Catalogs ・Instruction Manuals
Transmission Capacity Table
| Reduction ratio | Input 1750 r/min | Input 1450 r/min | Estimated Mass kg |
||
|---|---|---|---|---|---|
| Output torque | Output torque | ||||
| N・m | {kgf・m} | N・m | {kgf・m} | ||
| 1200 | 5116 | 522 | 5704 | 582 | 320 |
Hollow output Allowable Radial Load
| N | {kgf} |
|---|---|
| 22834 | 2330 |
Hollow output Allowable Axial Load
| N | {kgf} |
|---|---|
| 16130 | 1646 |
Motor Dimensions
| Motor Capacity kW |
Motor Related Dimensions | ||||||
|---|---|---|---|---|---|---|---|
| MA | MC | MW1 | MW | MB | MD | MT | |
| 1.5 | 274 | 185 | 461 | 635 | 198 | 200 | 150.5 |
Motor Characteristics
| Motor Capacity | Phases | Poles | Frequency Hz |
Voltage 50/60/60Hz |
Rated amperage A 50/60/60Hz |
Rated Speed r/min 50/60/60Hz |
Protection | Cooling | Rating | Insulation Class |
|---|---|---|---|---|---|---|---|---|---|---|
| 1.5kW | 3 Phase | 4 | 50/60/60 | 200/200/220 | 7.0/6.2/6.0 | 1420/1710/1730 | Totally enclosed fan-cooled (IP44) |
Self-cooling (IC411) |
Continuous | Class E |
Standard package
| Reducer |
Lubrication System | Oil bath (shipped filled) |
|---|---|---|
| Daphne Alpha Oil TE260 | ||
| Keyway | New JIS standard, normal grade JIS B1301-1976(Key is supplied with solid shaft models. ) | |
| Paint specifications | Munsell 2.5G6/3 (green) | |
| Primer: lacquer primer Finish coat: lacquer-based paint | ||
| Rust Proofing Specifications | Rust proof effective for 6 months when stored indoors (after shipping). | |
| Outside: rust-proofing grease Inside: sealed after lubrication oil is filled | ||
| Ambient conditions | Installation | Indoors |
| Ambient Temperature | 0℃~40℃ | |
| Ambient Humidity | 85% or less (no condensation) | |
| Altitude | No more than 1,000 m above sea level | |
| Atmosphere | Area must be free of corrosive and explosive gases, steam, condensation, and have little or no dust. | |
| Installation direction | Horizontal or vertical | |
Contact Information
Online Inquiries
For inquiries in English, visit the Inquiries page on our Tsubaki Group website.


