Worm Power Drives Major Specifications
Model No. :SW175B100L-SRF

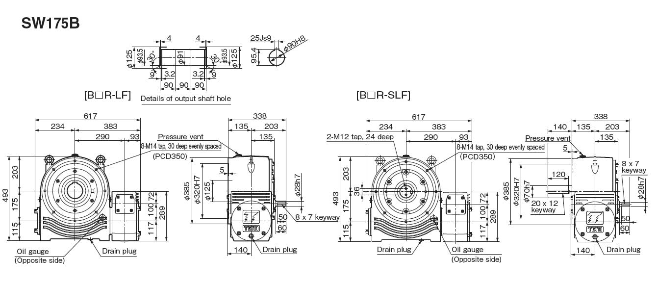
[Click to enlarge ]
※Refer to Page 78 of the catalog for shaft arrangements and relative direction of rotation.
PDF Outline Drawing
DXF drawings / 3D CAD data
Contact us for details.
Standard Price
Contact us for details.
Delivery
Contact us for details.
Catalogs ・Instruction Manuals
Transmission Capacity Table
| Reduction ratio | Input 1750 r/min | Input 1450 r/min | Input 1150 r/min | Input 950 r/min | Input 500 r/min | Input 100 r/min | Estimated Mass kg |
||||||||||||
|---|---|---|---|---|---|---|---|---|---|---|---|---|---|---|---|---|---|---|---|
| Input kW |
Output torque | Input kW |
Output torque | Input kW |
Output torque | Input kW |
Output torque | Input kW |
Output torque | Input kW |
Output torque | ||||||||
| N・m | {kgf・m} | N・m | {kgf・m} | N・m | {kgf・m} | N・m | {kgf・m} | N・m | {kgf・m} | N・m | {kgf・m} | ||||||||
| 100 | 7.68 | 3361 | 343 | 6.63 | 3450 | 352 | 5.38 | 3459 | 353 | 4.52 | 3459 | 353 | 2.52 | 3459 | 353 | 0.58 | 3459 | 353 | 226 |
Solid output Allowable Radial Load
| N | {kgf} |
|---|---|
| 26558 | 2710 |
Standard package
| Reducer |
Lubrication System | Oil bath (shipped filled) |
|---|---|---|
| Daphne Alpha Oil TE260 | ||
| Keyway | New JIS standard, normal grade JIS B1301-1976(Key is supplied with solid shaft models. ) | |
| Paint specifications | Munsell 2.5G6/3 (green) | |
| Primer: lacquer primer Finish coat: lacquer-based paint | ||
| Rust Proofing Specifications | Rust proof effective for 6 months when stored indoors (after shipping). | |
| Outside: rust-proofing grease Inside: sealed after lubrication oil is filled | ||
| Ambient conditions | Installation | Indoors |
| Ambient Temperature | -10℃~50℃ | |
| Ambient Humidity | 95% or less (no condensation) | |
| Altitude | No more than 1,000 m above sea level | |
| Atmosphere | Area must be free of corrosive and explosive gases, steam, condensation, and have little or no dust. | |
| Installation direction | Horizontal or vertical | |
Contact Information
Online Inquiries
For inquiries in English, visit the Inquiries page on our Tsubaki Group website.


