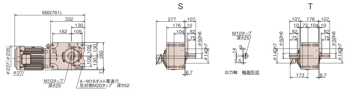
Hypoid Motor TR series Major Specifications
Model No. :HMTR370-50U10S
Standard Price
Contact us for details.
Delivery
Contact us for details.
| ※ | The CAD data contained herein is made available to you via the CAD drawing library; PARTcommunity is provided by CADENAS WEB2CAD Co. |
| ※ | Please direct your inquiries regarding the CAD data service or PARTcommunity to: CADENAS WEB2CAD Co. TEL: +81 (3) 5961-5031 FAX: +81 (3) 5961-5032 |
Catalogs ・Instruction Manuals
Transmission Capacity Table
| Motor Output | Actual Reduction Ratio | Gear Reduction Stages | Output shaft speed r/min 50/60/60Hz |
Allowable torque on output shaft | Allowable OHL on Output Shaft | Estimated Mass kg |
||||
|---|---|---|---|---|---|---|---|---|---|---|
| 50Hz | 60Hz | |||||||||
| N・m | {kgf・m} | N・m | {kgf・m} | N | {kgf} | |||||
| 3.7kW | 1/10 | 2 | 150/180/180/180 | 205 | 20.9 | 171 | 17.4 | 5880 | 600 | 83.0 |
The output shaft speed is the synchronized speed of the motor divided by the reduction ratio.
Motor Characteristics
| Phases | Poles | Frequency Hz |
Voltage V 50/60/60Hz |
Rated amperage A 50/60/60Hz |
Rated Speed r/min 50/60/60Hz |
Protection | Cooling | Rating | IE Code | Heat-resistance class |
|---|---|---|---|---|---|---|---|---|---|---|
| 3 Phase | 4 | 50/60/60 | 200/200/220 | 15.4/14.4/13.6 | 1450/1745/1755 | Totally enclosed fan-cooled (IP44) |
Self-cooling (IC411) |
Continuous(S1) | IE3 | 130(B) |
Standard package
| Reducer |
Lubrication System | Grease lubrication |
|---|---|---|
| Keyway at shaft tip | New JIS standard key (JIS B1301-1976):Output shaft key included (Keyways are normal grade. Hollow shaft models are excluded. ) | |
| Output shaft end | Tap holes provided (Hollow shaft models are excluded ) | |
| Ambient conditions | Installation | Indoors free of dust and water |
| Ambient Temperature | -20℃~40℃ | |
| Ambient Humidity | 85% or less (no condensation) | |
| Altitude | No more than 1,000 m above sea level | |
| Atmosphere | Area must be free of corrosive and explosive gases and steam. | |
| Mounting direction | Mounts on any angle, horizontal, vertical, or inclined. | |
| Paint Color | Munsell 2.5G6/3 | |
Contact Information
Online Inquiries
For inquiries in English, visit the Inquiries page on our Tsubaki Group website.



