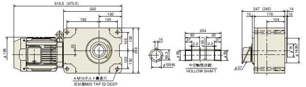
ハイポイドモートルTAシリーズ 主要諸元
形番:HMTA220-55H120
カタログ・取扱説明書
伝動能力表
| モータ 出力 |
実減速比 | 減速 段数 |
出力軸回転速度 r/min 50/60/60Hz |
出力軸許容トルク | 出力軸許容 O.H.L |
概略質量 kg |
||||
|---|---|---|---|---|---|---|---|---|---|---|
| 50Hz | 60Hz | |||||||||
| N・m | {kgf・m} | N・m | {kgf・m} | N | {kgf} | |||||
| 2.2kW | 1/120 | 3 | 12.5/15/15 | ※1176 | ※120 | 1166 | 119 | 9800 | 1000 | 61.0 |
出力軸回転速度は、モータの同期回転速度を減速比で割った値です。
※トルク制限機種です。
モータ特性表
| 相数 | 極数 | 周波数 Hz |
電圧 V 50/60/60Hz |
定格電流値 A 50/60/60Hz |
定格回転数 r/min 50/60/60Hz |
保護形式 | 冷却方式 | 定格 | 絶縁階級 |
|---|---|---|---|---|---|---|---|---|---|
| 三相 | 4 | 50/60/60 | 200/200/220 | 9.8/8.9/8.5 | 1420/1710/1730 | 全閉外扇形 (IP44) |
自力形 (IC411) |
連続 | E種 |
標準仕様
| 減 速 部 |
潤滑方式 | グリース潤滑 |
|---|---|---|
| 軸端キー溝部 | 新JISキー(JIS B1301-1976):出力軸キー添付(キーみぞは並級です、中空軸形は除きます) | |
| 出力軸端 | タップ加工あり(中空軸形は除きます) | |
| 周 囲 条 件 |
設置場所 | 屋内で塵埃が少なく水のかからない場所 |
| 周囲温度 | -20℃~40℃ | |
| 周囲湿度 | 85%以下(結露のないこと) | |
| 高 度 | 標高1000m以下 | |
| 雰 囲 気 | 腐食性ガス・爆発性ガス・蒸気などがないこと | |
| 取付方向 | 水平、垂直、傾斜等、据付角度の制限なし | |
| 塗 装 色 | マンセル 2.5G6/3 | |
オプション
軸端カバー
・中空軸形で、取付とは反対側の中空軸端に取付けるカバーを用意しています。アダプター付・両軸形にも対応しています。
(材質:ポリプロピレン樹脂製、グリーン色)
・寸法(単位:mm)、PDF図面、標準価格・納期
| 形番 | 適用容量、速比 | PDF図面 | 標準価格 | 納期 |
|---|---|---|---|---|
| HM140CAP | 0.4kW 1/600~1/1200 0.75kW 1/300~1/480 1.5kW 1/100~1/200 2.2kW 1/80~1/120 3.7kW 1/5~1/60 5.5kW 1/5~40 |
PDF 標準仕様用 | ¥2,208 | 在庫品 |
トルクアーム
・中空軸形で、軸上取付とする場合のトルクアームを用意しています。アダプター付・両軸形にも対応しています。(材質:SS400)

減速機の取付状態に合わせてどちらにも取付が可能です。
・寸法(単位:mm)、PDF図面、標準価格・納期
| 形番 | 適用容量、速比 | A | B | C | D | H | L | R1 | R2 | R3 | ΦZ1 | ΦZ2 | 推奨 ボルト |
板厚 t |
PDF図面 | 標準価格 | 納期 |
|---|---|---|---|---|---|---|---|---|---|---|---|---|---|---|---|---|---|
| HM350TA | 0.4kW 1/600~1/1200 0.75kW 1/300~1/480 1.5kW 1/100~1/200 2.2kW 1/80~1/120 3.7kW 1/5~1/60 5.5kW 1/5~1/40 |
350 | 245 | 105 | 182 | 293 | 331 | 22 | 26 | ― | 22 | 22 | M20 | 9 | ¥8,729 | 在庫品 |
ホームページからのお問い合わせ/資料請求
製品お問い合わせ
各製品へのお問い合わせ及び製品カタログ・資料請求はこちらより承っております。
ご利用の際は当サイトの会員登録をお願いします。
【お問い合わせ】 |
【資料請求】 |
|---|
各種証明書の発行について
一部の証明書は弊社製造番号と紐づけて発行しております。
以下についてはご購入先を通じてご依頼ください。
・該非判定書
・EAR判定書
・原産地証明書
見積依頼、納期確認について
弊社では直接販売をしておりません。
購入価格・納期に関するお問い合わせはお取引のある商社様を通じてご確認ください。
購入先をお探しのお客様は取扱販売店一覧をご覧ください。
お問い合わせ窓口
製品窓口
| 減速機 | TEL : 0120-251-602 | FAX : 0120-251-603 |
|---|
月曜日~金曜日 9:00~12:00 / 13:00~17:00
(祝日・弊社休業日を除く)



