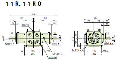
マイタギヤボックス 主要諸元
形番:ED8B15-1-1-R-Y
| ※ | 3DCADデータはキャデナス・ウェブ・ツー・キャド(株)のCAD図面ライブラリーサイト「PARTcommunity」へのリンクにより提供いたします。 |
| ※ | 3DCADデータ及びPARTcommunityのお問い合わせにつきましてはキャデナス・ウェブ・ツー・キャドまでご連絡ください。 【キャデナス・ウェブ・ツー・キャド株式会社】TEL: (03)5961‐5031 FAX: (03)5961‐5032 |
カタログ・取扱説明書
伝動能力表
| 速比 | ラテラル軸 回転速度 r/min |
伝動能力:ラテラル2軸タイプ | 許容OHL | クロス軸 許容トルク |
慣性モーメント {GD2} |
バック ラッシ 度 |
概略 質量 kg |
概略油量 (オイルバス) |
|||||||
|---|---|---|---|---|---|---|---|---|---|---|---|---|---|---|---|
| 入力 kW |
クロス軸トルク | ラテラル軸 | クロス軸 | ||||||||||||
| N・m | {kgf・m} | N・m | {kgf・m} | N・m | {kgf・m} | N・m | {kgf・m} | ×10-3 kg・m2 |
×10-3 {kgf・m2} |
||||||
| 1.5:1 | 3000 | --- | --- | --- | --- | --- | --- | --- | 627 | 64.0 | 6.40 | 25.6 | 0.14 ~ 0.70 |
62 | 2.1L |
| 2000 | 18.0 | 126 | 12.9 | 3432 | 350 | 6864 | 700 | ||||||||
| 1750 | 15.8 | 127 | 13.0 | 3822 | 390 | 7252 | 740 | ||||||||
| 1450 | 13.3 | 129 | 13.2 | 4361 | 445 | 7987 | 815 | ||||||||
| 1150 | 10.7 | 131 | 13.4 | 5096 | 520 | 8820 | 900 | ||||||||
| 870 | 8.26 | 133 | 13.6 | 6076 | 620 | 8820 | 900 | ||||||||
| 580 | 5.69 | 137 | 14.0 | 7644 | 780 | 8820 | 900 | ||||||||
| 300 | 3.03 | 142 | 14.5 | 8428 | 860 | 8820 | 900 | ||||||||
| 100 | 1.04 | 147 | 15.0 | 8428 | 860 | 8820 | 900 | ||||||||
| 10 | 0.10 | 152 | 15.5 | 8428 | 860 | 8820 | 900 | ||||||||
・各回転速度間でご使用の場合には、補間法にて算出ください。
・ラテラル軸回転速度が10r/min未満の場合は、10r/minの数値をご使用ください。
・ラテラル軸回転速度が1450r/minを超えてご使用の場合は、強制給油仕様となります。(特殊仕様のご紹介)
また、運転時間、運転サイクル、周囲温度、負荷状況により使用範囲・伝動能力が制限されますので当社までお問い合せください。
標準仕様
| 減 速 部 |
軸端キー溝部 | 新JISキー(JIS B1301-1976):出力軸キー添付(キーみぞは並級です) |
|---|---|---|
| 出力軸端 | タップ加工あり | |
| 周 囲 条 件 |
設置場所 | 屋内で塵埃が少なく水のかからない場所 |
| 周囲温度 | -10℃~50℃ | |
| 周囲湿度 | 95%以下(結露のないこと) | |
| 高 度 | 標高1000m以下 | |
| 雰 囲 気 | 腐食性ガス・爆発性ガス・蒸気などがないこと | |
| 取付方向 | 水平、垂直、傾斜等、据付角度の制限有り | |
| 塗 装 色 | マンセル 2.5G6/3 | |
ホームページからのお問い合わせ/資料請求
製品お問い合わせ
各製品へのお問い合わせ及び製品カタログ・資料請求はこちらより承っております。
ご利用の際は当サイトの会員登録をお願いします。
【お問い合わせ】 |
【資料請求】 |
|---|
各種証明書の発行について
一部の証明書は弊社製造番号と紐づけて発行しております。
以下についてはご購入先を通じてご依頼ください。
・該非判定書
・EAR判定書
・原産地証明書
見積依頼、納期確認について
弊社では直接販売をしておりません。
購入価格・納期に関するお問い合わせはお取引のある商社様を通じてご確認ください。
購入先をお探しのお客様は取扱販売店一覧をご覧ください。
お問い合わせ窓口
製品窓口
| 減速機 | TEL : 0120-251-602 | FAX : 0120-251-603 |
|---|
月曜日~金曜日 9:00~12:00 / 13:00~17:00
(祝日・弊社休業日を除く)



