つばきマイタギヤボックス
[高速回転仕様]
サーボモータ駆動でも寸法 そのまま
タクトタイム改善に貢献
[高トルク仕様]
取合い寸法変わらず伝動能力平均 33%UP
多品種少量など幅広い負荷条件に対応
こんなことでお困りではないですか?
- 生産性を向上させたい…
-
高速運転でタクトタイムを改善したい。
どこかに大型サーボモータと機械同期させられる
減速機はないかな?
- レイアウト変更だけで
装置はそのまま使いたい… -
生産する商品を大型化するが装置設計はそのままに
高機能化させたい。取合寸法を変えずに高トルクで運転できる
減速機はないかな?
- 発熱を抑えたい…
-
ギヤボックスの発熱が高く、メンテナンス時の安全性に欠ける。
どこかに上昇温度を抑えられる
減速機はないかな?
そんなお悩みを解決します!
マイタギヤボックス
高速回転仕様・高トルク仕様
回転速度・トルク不足、タクトタイム向上で課題をお持ちの方に向けて、回転速度とトルクの対応領域を拡大したマイタギヤボックス高速回転仕様と高トルク仕様を2026年1月より対応開始しました。
高速回転仕様は3000r/minを超える高速領域を、高トルク仕様はマイタギヤボックス標準品(従来品)に対して伝動能力を平均『33%』アップした領域を対応できるようになりました。
マイタギヤボックス高速回転仕様と高トルク仕様がますますパワーアップして、お客様の装置の高機能化を実現します。
マイタギヤボックス(標準品)との比較
マイタギヤボックスの高速回転仕様、高トルク仕様の対応領域(トルク比較 サイズED6)は図の通りです。
高速回転仕様は、標準品(従来品)よりも入力回転速度が早い領域に対応しています。一方、高トルク仕様は標準品と同じ回転速度領域において、より大きなトルク領域に対応可能となります。
お客様の用途や使用条件に応じたラインアップを拡充し、標準品を含めた最適提案が可能となりました。
選べる2つの新仕様
高速回転仕様
1. MAX5000 r/minでの入力運転可能
対応可能な入力回転速度を拡大させ、最大5000rpmでの入力運転可能にし、従来よりも高速運転を実現しました。
これによりサーボモータ駆動などでのタクトタイムを短縮し、生産性向上に貢献します。
※速比1:1(Bタイプ)以外はラテラル軸入力のみ対応します。
2. 省スペース化に貢献
高速運転は発熱が大きいため、強制給油やファン取付などによる補助冷却が必要でした。
しかし、本仕様では、下記のようなアクセサリ(冷却機器)の設置が不要となり、コンパクトな装置設計が可能になります。
高トルク仕様
1. 伝動能力33%アップ
伝動能力を平均33%向上させることで、高トルク領域での運転が可能になりました。これにより、多品種少量など幅広い負荷条件に対応し、装置の高機能化に貢献します。
2. 低床化
伝動能力を約33%向上させつつ、取合寸法は従来品と同一を実現しました。これにより新規設計では装置の低床化に寄与し、従来の設計では寸法変更なしでコンパクトな装置設計が可能となります。
高速回転仕様/高トルク仕様 共通
ケース形状の最適設計などにより、ケース表面の温度上昇が標準に対して、5~15℃低減しました。
それにより、発熱によるシール損傷リスクを低減します。
(使用条件:無負荷、2000r/min入力、ED6M)
用途例
自動車業界を始めとした組立、昇降用途でのタクトタイムの向上に寄与します。また、印刷機械や製鉄機械など幅広い業界での生産性の改善が期待できます。
昇降装置
高速運転と機械同期による直動機器の完全同調を実現。
リニスピードジャッキを使った自動車部品の昇降システムに採用されてます。
印刷機械
製鉄機械
製品詳細
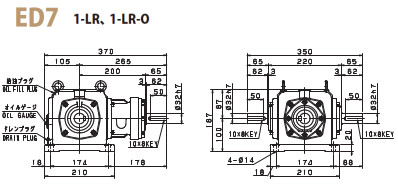
マイタギヤボックス 高速回転仕様 [仕様記号:S]
※取合寸法は標準品と同一ですが、油量が異なるためオイルゲージ位置が異なります。
代表外形寸法 (軸配置:1-LR, 1-LR-O)
形番表示例
| ED6 | - | M | - | 1-L | - | Y | - | S | - | TK | |
| サイズ | 速比 | 軸配置 回転方向 |
取付形式 | 高速回転仕様 | 特殊品 | ||||||
| ED8 | - | B30 | - | U-R-O | - | T | - | S | - | TK | |
| サイズ | 速比 | 軸配置 回転方向 |
取付形式 | 高速回転仕様 | 特殊品 | ||||||
ラインアップ
| サイズ | 速比別 最大入力回転速度 | ||||
|---|---|---|---|---|---|
| M (1:1) |
B15 (1.5:1) |
B20 (2:1) |
B25 (2.5:1) |
B30 (3:1) |
|
| ED6 | 3000 | 3000 | 4000 | 5000 | 5000 |
| ED7 | 3000 | 3000 | 4000 | 5000 | 5000 |
| ED8 | 2000 | 2000 | 3000 | 4000 | 4000 |
伝動能力表(ラテラル1軸タイプ)
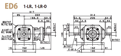
マイタギヤボックス 高トルク仕様 [仕様記号:P]
※取合寸法は標準品と同一ですが、油量が異なるためオイルゲージ位置が異なります。
代表外形寸法 (軸配置:1-LR, 1-LR-O)
形番表示例
| ED6 | - | M | - | 1-L | - | Y | - | P | - | TK | |
| サイズ | 速比 | 軸配置 回転方向 |
取付形式 | 高トルク仕様 | 特殊品 | ||||||
| ED12 | - | B30 | - | U-R-O | - | T | - | P | - | TK | |
| サイズ | 速比 | 軸配置 回転方向 |
取付形式 | 高トルク仕様 | 特殊品 | ||||||
ラインアップ
| サイズ | 速比別 最大入力回転速度 | ||||
|---|---|---|---|---|---|
| M (1:1) |
B15 (1.5:1) |
B20 (2:1) |
B25 (2.5:1) |
B30 (3:1) |
|
| ED6 | 1750 | 1750 | 2000 | 2000 | 2000 |
| ED7 | 1750 | 1750 | 2000 | 2000 | 2000 |
| ED8 | 1450 | 1750 | 2000 | 2000 | 2000 |
| ED10 | 1150 | 1150 | 1750 | 1750 | 1750 |
| ED12 | 1150 | 1150 | 1750 | 1750 | 1750 |
伝動能力表(ラテラル1軸タイプ)
許容ラジアル荷重(ラテラル1軸タイプ)
お見積りやご相談のみでも承りますので、選定仕様確認書を記入いただき、当社へお問い合わせください。