Cam Clutch BS Series Major Specifications
Model No. :BS220-___J
PDF Outline Drawing
CAD data in DXF format
BS220-___J
(Click here for a list of all DXF files )
3D CAD data
Standard Price
Contact us for details.
Delivery
Contact us for details.
| ※ | The CAD data contained herein is made available to you via the CAD drawing library; PARTcommunity is provided by CADENAS WEB2CAD Co. |
| ※ | Please direct your inquiries regarding the CAD data service or PARTcommunity to: CADENAS WEB2CAD Co. TEL: +81 (3) 5961-5031 FAX: +81 (3) 5961-5032 |
Catalogs ・Instruction Manuals
List of Range of Machinable Shaft Bores
| Model No. | Shaft Bore Diameter |
|---|---|
| BS220 | 150~220 |
Transmission Capacity Table
| Allowable maximum torque | Maximum Overrunning Speed of the Inner Race r/min |
Overrun Friction Torque | ||
|---|---|---|---|---|
| N・m | {kgf・m} | N・m | {kgf・m} | |
| 49000 | 5000 | 80 | 73.5 | 7.5 |
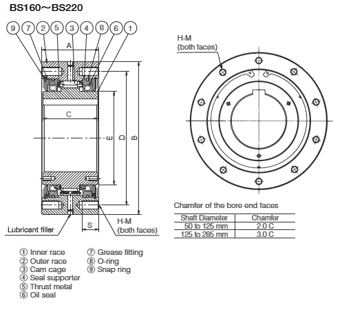
Table of Dimensions Units :mm
| Width of outer race A |
Inner Race Width C |
Outer Diameter B |
Hub Diameter of Inner Race E |
Mounting Tapped Holes | Grease nipple size | Grease volume kg |
Mass kg |
||
|---|---|---|---|---|---|---|---|---|---|
| PCD D |
Effective Screw Length S |
Size (H-M) Quantity - diameter x pitch | |||||||
| 235 | 230 | 500 | 290 | 420 | 40 | 16-M20×2.5 | PT1/4 | 0.8 | 301 |
Note)
1.The tolerance for items with pre-machined standard stock shaft bores is H7.
2.Old JIS flat key type 2 (JIS B1301-1959) Model No. examples BS50-50E 〔E=Old JIS-compliant type 〕
3.New JIS flat key normal (JIS B1301-1996) Model No. examples BS50-50J 〔J=New JIS-compliant type 〕
4.When placing an order with us that involves specifications other than the standard shaft bore diameter, please provide the shaft bore diameter, keyway dimensions, and shaft and bore tolerances.
Contact Information
Online Inquiries
For inquiries in English, visit the Inquiries page on our Tsubaki Group website.



