Plastic Series TKR Series About installation of support rollers
Plastic cable carrier TKR series can be used for even longer strokes by installing support rollers.
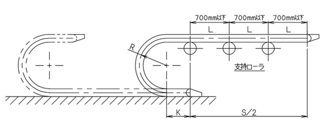
When installing support rollers, support roller installation distance is set for each cable carrier model number in order to ensure stable behavior of cable carrier.
Install support roller using the following as a guide, and use it within the load diagram when the support roller is installed.
TKR15H22 (Former TKR0150 )
Set installation distance of the support roller to L=350mm or less.
By installing 4 or more support rollers, the travel length can be extended up to 2.2m.

TKR20H28 (Former TKR0200H28 )
Set installation distance of the support roller to L=700mm or less.
By installing 3 or more support rollers, the travel length can be extended up to 3.3m.

TKR26H40 (Former TKR0260 )
Set installation distance of the support roller to L=700mm or less.
By installing 3 or more support rollers, the travel length can be extended up to 3.6m.

TKR28H52 (Former TKR0280 )
Set installation distance of the support roller to L=900mm or less.
By installing 3 or more support rollers, the travel length can be extended up to 5.0m.

TKR28H52-EX
Set installation distance of the support roller to L=900mm or less.
By installing three or more support rollers, the travel length can be extended up to 11.88 m.

TKR37H28
Set installation distance of the support roller to L=700mm or less.
By installing 4 or more support rollers, the travel length can be extended up to 5.1m.
